UT系列金属卡口式连接器
- 产品->新能源->高压连接与配电产品系列
- UT系列金属卡口式连接器
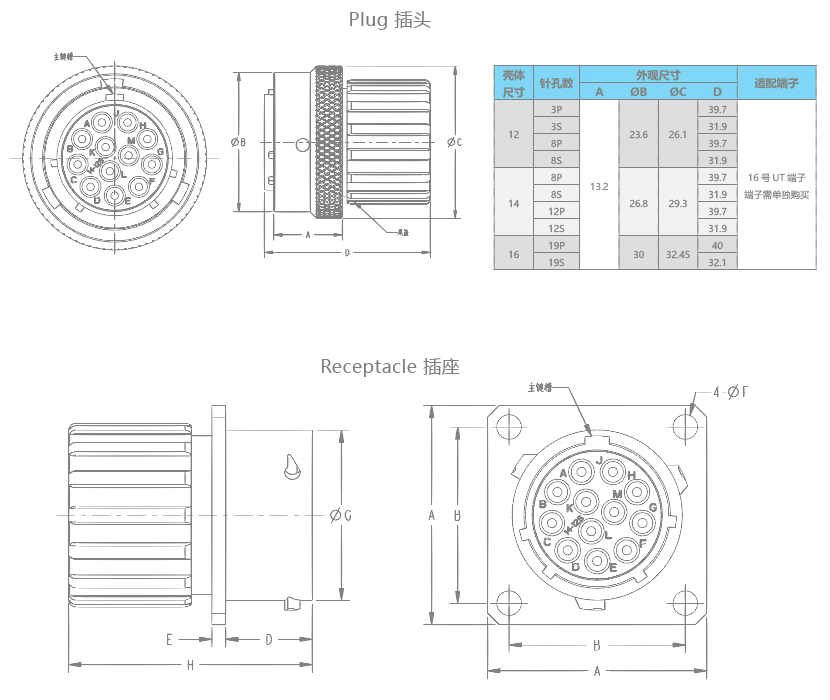
UT系列是金属卡口式信号连接器,参考美军标MIL-C-26482系列设计,采用16AWG冲压端子,连接安全可靠,是一款性价比非常高的通用型连接器,应用范围非常广泛,可与同类产品互换,产品具有快速连接和分离、体积小,密度高,耐环境好,可靠性高,可抗高冲击和震动等特点,在新能源汽车、航空、军用、测量仪器、监测设备、机械设备、通信设备、机器人技术、海上作业、医疗设备、石油化工设备、汽车、铁路及其它交通和工业领域中有着广泛的应用。
产品特色
• 金属卡口式,参考美军标MIL-C-26482系列设计,完全兼容于其它公司生产的该类型产品,比如
安费诺的RT系列,Souriau的TRIM、TRIO、UTG和UTP系列、ITT CANNON的Trident系列等;
• 提供13A多种孔位信号传输,标准系列连接器;
• 金属外壳,连接坚固可靠;
• 快速连接/断开;
• 三重啮合保障;
• 多种防误插键位设计;
• 可视、可触、可听的连接环;
• 密封,IP67。
技术参数
Current rating 额定电流 | 13A |
Operating Voltage 工作电压 | 250V DC |
Withstanding Voltage 耐电压 | 2000V DC |
Insulation resistance绝缘电阻 | 5000 MΩ Min |
Operating Temp 工作温度 | -55°C to 125°C |
Water Proof 防水等级 | IP 67 (Mated) |
Flammability 防火等级 | UL94V-0 |
Durability 插拔寿命 | 100 Cycles |
![]() |
![]() |
产品系列及选项
![]() |
![]() |










